型号 | IV-H150MA | |||
类型 | 近距离 | |||
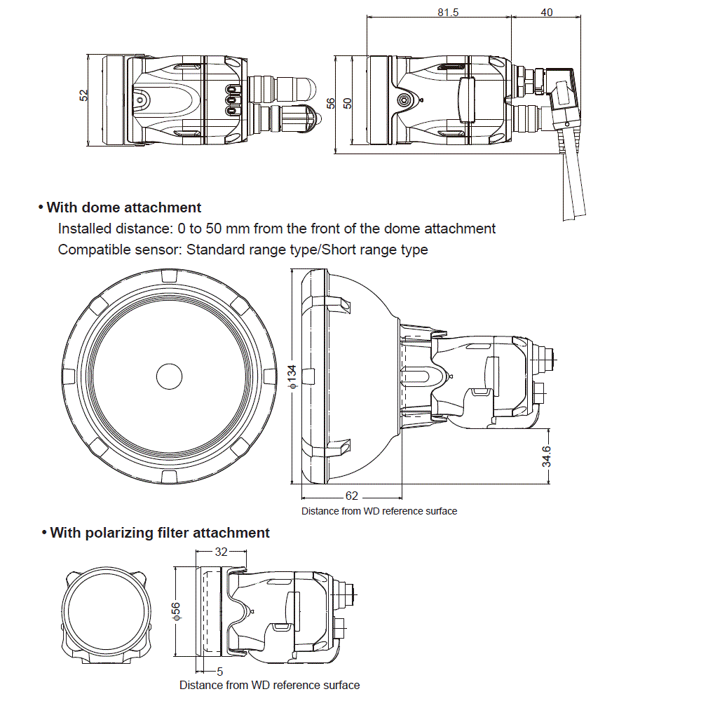
安装距离 | 50 至 150 mm | |||
视野 | 安装距离 50 mm:12 (水平) × 9 (垂直) mm 至 | |||
图像接收元件 | 类型 | 1/3 英寸 黑白 CMOS | ||
像素数 | 752 (水平) × 480 (垂直) | |||
焦点调节 | 自动*1 | |||
曝光时间 | 1/20 至 1/25,000 | |||
照明 | 光源 | 红色 LED | ||
亮灯方式 | 脉冲亮灯/DC 亮灯 可切换 | |||
工具 | 种类 | 廓判别、颜色面积*2、面积*3、边缘像素、宽度/高度、直径、有无边缘、节距、位置修正、高速位置修正 (1 轴边缘/2 轴边缘) | ||
配置数 | 识别工具:16 个工具、位置修正工具:1 个工具*4 | |||
设置切换(程序) | 32 个程序 | |||
图像履历 | 保存张数 | 300 张*5*6 | ||
保存条件 | 仅限 NG/全部 可选择*6 | |||
分析信息 | OFF/统计/柱状图/相似度一览 可切换 | |||
其他功能 | HDR、高增益、彩色滤光片*2、数码缩放*3、亮度补偿、矩形补偿、白平衡*2、屏蔽功能、彩色柱状图功能、测试运行、工具自动调节、输入显示器、输出测试、保密设定、模拟器*8、附加传感器日期时间信息、缩放功能、发生 NG 传感器一览、NG 保持 | |||
指示灯 | PWR/ERR、OUT、TRIG、STATUS、LINK/ACT | |||
输入 | 种类 | 无源触点输入/电压输入 可切换 | ||
点数 | 6 点 (IN1 至 IN6) | |||
功能 | IN1:外部触发、IN2 至 IN6:可分配任意功能使用 | |||
输出 | 种类 | 集电极开路输出 NPN/PNP 可切换、N.O./N.C. 可切换 | ||
点数 | 4 点 (OUT1 至 OUT4) | |||
功能 | 可分配任意功能使用 | |||
Ethernet | 规格 | 100BASE-TX/10BASE-T*9 | ||
连接器 | M12 4 pin 连接器*9 | |||
网络功能 | FTP 客户端功能、EtherNet/IPTM、PROFINET | |||
额定 | 电源电压 | 24 VDC ±10 % (包括纹波) | ||
消耗电流 | 0.6 A 以下 | |||
环境抗耐性 | 外壳防护等级 | IP67*10 | ||
环境温度 | 0 至 +50 °C (无冻结) | |||
相对湿度 | 35 至 85 % RH (无凝结) | |||
抗震性 | 10 至 55 Hz、双振幅 1.5 mm、X,Y,Z 方向各 2 个小时*11 | |||
耐冲击性 | 500 m/s2、6 个方向 各 3 次*11 | |||
材质 | 主装置壳体:铸铝、密封垫:NBR、前面盖板:丙烯酸树脂、安装器具:POM | |||
重量 | 约 270 g | |||
*1 设定时可自动调节焦点位置。运行中不动作。可按程序注册焦点位置。 | ||||
* 如果字符难以读取,请确认CAD或手册。
iv-500_h500_dimension_01.gif

iv-500_h500_dimension_02.gif
