规格

型号

VT-AT10

类型

10 英寸用套件

对象产品

VT5-X10

备注

从 VT3/VT2/VT 系列 10 英寸切换为 VT5-X10 用

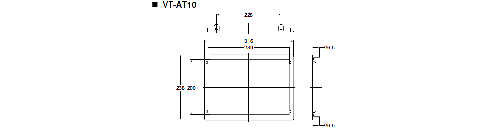
产品尺寸

* 如果字符难以读取,请确认CAD或手册。

vt-at10_dimension_01.gif

VT-AT10 Dimension